Audi B5 RNS-E retrofit CAN bus wiring


Click any picture on this page to enlarge
 

The infotainment CAN bus

As mentioned in the main RNS-E retrofit on Audi B5 A4/S4/RS4 article, the RNS-E requires infotainment CAN bus connectivity for many of its basic functions, and the late B5 platform (2000 or later with digital clock in the instrument cluster) provides the needed CAN bus.

However, the CAN bus on the B5 cars is not wired to the radio plugs from the factory. The original Symphony radio does not use the CAN bus for communication with the instrument cluster, it uses a proprietary bus for that.

The picture below shows the 20-pin radio plug (T20b) and its pin-out. Pins 7 and 12 are labeled as CAN-H and CAN-L, respectively, but you will find that they are actually vacant in the car's radio wiring.



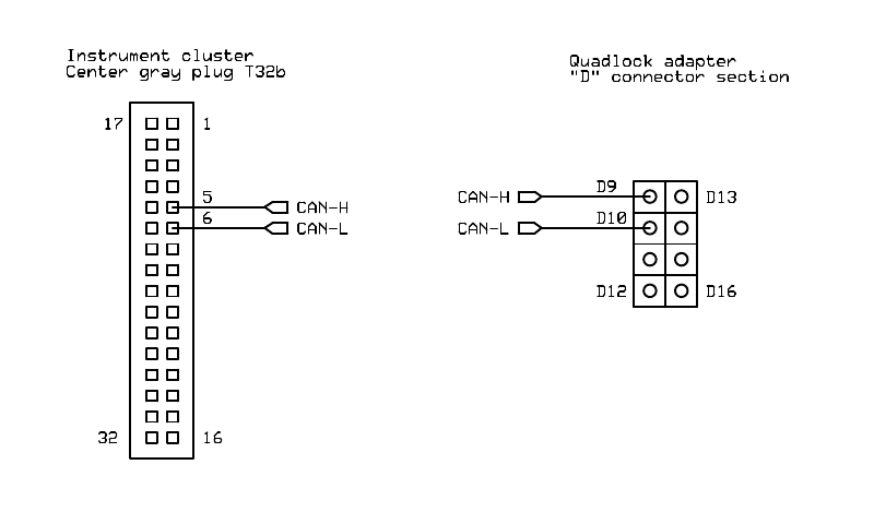
Hence it is necessary to wire the RNS-E's CAN-H and CAN-L lines to the instrument cluster. The concept is shown below. The left side is the 32-pin center gray plug at the instrument cluster (T32b), the right side is the "D" connector section of the quadlock adapter.



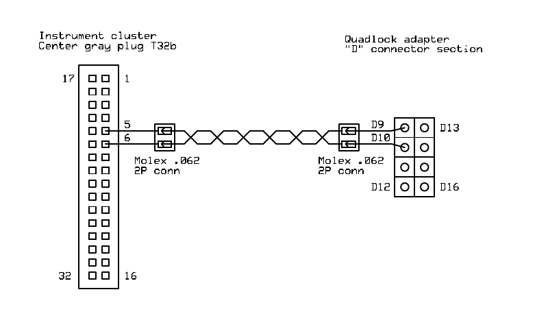
If you are using the Kufatec 33405 quadlock adapter (and specified the Audi A4 8D as the target platform when you ordered it), then it should come with long wires connected on one end to the quadlock side's D9 and D10 (CAN-H and CAN-L respectively) pins, and unterminated on the other end for connection to the instrument cluster. The diagram below shows this. If your T32b plug's pin 5 and 6 are vacant, then you can cut one repair wire with terminal pins (Audi/VW part number 000 979 018) into two, and splice the cut end into the end of the CAN wires, and insert the pin terminal end into the T32b plug as shown.**

Don't reverse the CAN-H and CAN-L lines, and twist them together for best signal integrity (shown).

I recommend using Molex .062 2-circuit connectors at the quadlock adapter end of the long CAN wires, as well as at the T32b plug. This way, the added wires and the quadlock adapter can each be unplugged and removed easily if you need to do additional work on them, or if you want to remove the RNS-E and put back the Symphony radio.



If your quadlock adapter has D9 and D10 wired to the 20-pin connector (T20b) pins 7 and 12*, you could instead use the following wiring scheme. The proprietary data bus wires (CLK and DATA) used by the Symphony radio are no longer used with the RNS-E, and can be "re-purposed" to carry the CAN-H and CAN-L signals instead. Do the following:
  1. On the T20b plug, extract pin 8 (CLK) and insert into pin 7 (CAN-H)
  2. On the T20b plug, extract pin 9 (DATA) and insert into pin 12 (CAN-L)
  3. On the T32b plug, extract pin 12 (CLK) and insert into pin 5 (CAN-H)**
  4. On the T32b plug, extract pin 13 (DATA) and insert into pin 6 (CAN-L)**
In the picture below, the dashed lines show where the wires were originally connected to, and the solid lines are where you're going to move them to. Note that this scheme is not as easy to undo if you want to put back the Symphony radio.



* If you mistakenly ordered a quadlock adapter for another Audi platform, or purchased a "generic" one from eBay or other outlets, then you're likely to have one of these.
** If wires are already present in T32b pins 5 and 6, then splice into them instead.